当发电机组的内部或发电机出口回路发生故障以及正常停机时都要快速切断励磁电源,由于发电机转子绕组是个储能的大电感,励磁电流突变势必在转子绕组两端引起相当高的过电压,造成转子绝缘击穿,所以必须尽快消耗转子电感中的磁能,这就是通常所说的灭磁。
通常的灭磁方式有:线性电阻灭磁、灭磁开关灭磁、逆变灭磁和非线性电阻灭磁。本公司采用氧化锌非线性电阻灭磁方式,利用其特殊的伏安特性,达到近似恒压灭磁的理想效果。
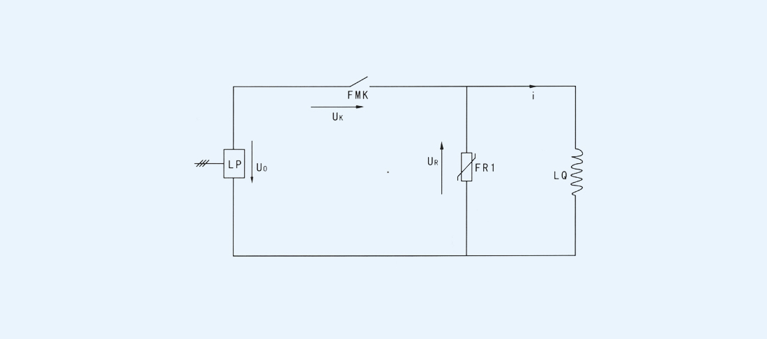
灭磁的原理如图所示,其中i为转子中的电流、FR1为氧化锌非线性电阻、FMK为灭磁开关、U0为励磁电压、LP为整流电源、UK为灭磁开关弧压、UR为氧化锌非线性电阻残压。若要使转子电流衰减至零,必须在转子两端加一个与其励磁电源电势相反的电势U,由图2的回路电压方程式为Ldi/dt+UR=0可得di/dt=-UR/L。可见电感中电流衰减率正比于反向电势U,反向电势越大,灭磁时间越短。但反向电势受转子绝缘水平限制,不能超过转子绝缘允许值,因此最理想的灭磁方式是灭磁电压保持恒定,电流保持一个固定的变化率按直线规律衰减至零。发电机正常运行时转子电压低,氧化锌非线性电阻呈高阻态,漏电流仅为微安级。灭磁时,灭磁开关FMK跳开,切断励磁电源,在满足UK≥U0+UR时,电流被迫换流到FR1氧化锌非线性电阻中,转子绕组储存的能量在氧化锌非线性电阻中迅速消耗,且氧化锌良好的伏安特性保证了这部分能量几乎以恒压的形式消耗,确保了发电机组的安全。
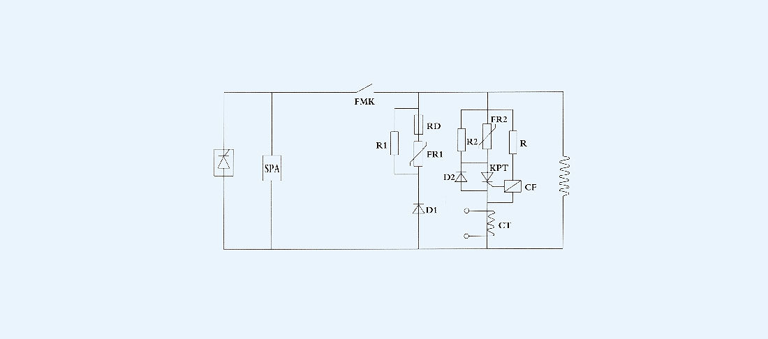
我公司生产的发电机转子灭磁及过电压保护装置采用多组氧化锌非线性电阻并联跨接于转子绕组两端,由氧化锌非线性电阻FR1、线性电阻R1、快速熔断器RD、二极管D1组成(见图3)。其核心部件FR1具有限制反向过电压和吸收磁能的作用;各支路中都装有特制快速熔断器RD,快速熔断器的熔断时间小于2ms并且熔丝电压足够高,当部分支路发生故障,其相应快速熔断器熔断,产生的电压将故障支路的短路电流迅速迫入其他支路,故障支路被切除。线性电阻R1和二极管D1在机组正常运行时降低氧化锌非线性电阻FR1的荷电率,延缓阀片老化。

灭磁原理图
同步发电机在运行时常因一些故障或其他原因使转子系统出现过电压。这些过电压产生的条件不同、强弱不同,所以应当采取不同的保护方法。 我公司研制生产的同步发电机转子灭磁及过电压保护装置基本原理如图3、图4所示。

图3 SHK-FMB-32型灭磁及过电压保护装置一次原理图(适用于可控硅整流励磁系统)

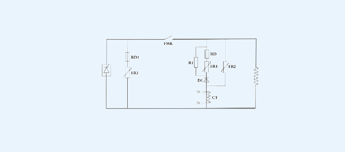
图4 SHK-FMB-31型灭磁及过电压保护装置一次原理图(适用于二极管整流及直流励磁机励磁系统)
FR1: 灭磁过电压保护 FR2: 非全相及大滑差异步运行过电压保护(FQ)
FR3: 电源侧过压保护 SPA: 尖峰过电压吸收器
FMK: 灭磁开关 CT: 电流互感器
当发电机组内部故障时,迅速消耗转子绕组中的磁能,快速切除故障,保障发电机安全。
有效限制发电机组运行时因受到较大扰动而造成转子绕组产生的正向过电压或反向过电压,保护转子绝缘,防止转子绝缘击穿事故。
在发电机发生非全相及大滑差异步运行时迅速动作,构成转子续流通道,避免因转子绕组开路产生的转子过电压造成绝缘击穿事故。
★ 型号规格

★ 技术参数
|
选择范围 |
代表意义 |
备注 |
||||
|
第一位技术特征代号 |
F |
配备大滑差异步运行及非全相保护 |
||||
|
无标记 |
不配备大滑差异步运行及非全相保护 |
|||||
|
保护装置代号 |
MB |
灭磁过电压保护装置 |
||||
|
第二位技术特征代号 |
31 |
Zn0阀片直跨式过电压保护, 用于直流励磁机励磁或二极管整流励磁方式 |
||||
|
32 |
Zn0阀片加可控硅正向过电压保护, 用于可控硅整流励磁方式 |
|||||
|
装置标称容量(MJ) |
0.12 0.15 |
0.2 |
0.25 0.3 |
根据转子体积,机组容量等参数配置 |
可根据机组 情况特制 |
|
|
0.4 0.6 |
0.8 |
1.0 |
1.2 1.5 |
|||
|
1.8 2.0 |
2.5 |
3.0 |
3.5 4.0 |
|||
|
最大灭磁电压(KV) |
0.6 |
0.8 |
1.0 |
1.2 1.4 |
根据励磁电压,转子绝缘等参数配置 |
|
|
1.6 |
1.8 |
2.0 |
2.2 |
|||
本装置型号的选择应根据发电机组的能源类型、容量、灭磁电压及过电压保护值来确定。对用于常规发电机组的装置,用户可根据同类发电机组上安装本公司的保护装置型号来确定。如用户不能确定保护装置的型号,本公司将根据用户提供发电机组参数来确定保护装置的型号。对于特殊的发电机组,用户应提供发电机定子和转子的各项参数,由本公司技术人员计算发电机突然短路、空载误强励以及满载甩负荷等各种工况后确定保护装置的型号或专门予以设计。
★ 接入系统方式
灭磁保护装置的基本结构如下图所示,图中结构及元器件为我公司推荐,具体结构、尺寸及内部元器件配备视厂家要求而定。

1、柜体 2、电压、电流表 3、按钮、指示灯 4、灭磁氧化锌
5、二次板 6、非全相板 7、灭磁开关
★ 包装运输
一般采用木箱包装,柜体底座应固定在包装箱底板上。
建议不要长距离在三级以下公路运输,必要时拆散包装。
不宜长期在户外储存,长期不用时,应储存在干燥、通风的户内仓库中。
● 环境条件
环境温度:-25℃~+40℃
海拔高度:<2000 m,特殊情况可达到4000m
运行环境:运行地点应无导电或爆炸尘埃,无腐蚀金属或破坏绝缘的气体或蒸汽
安装地点:户内
相对湿度:90%